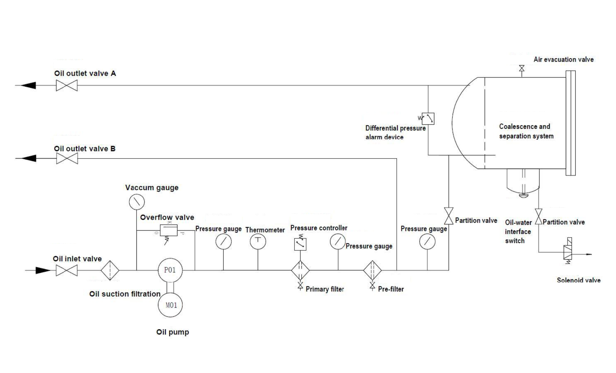
Fuel Treatment Unit (3-Stage Filtration + Vacuum Separation System)
A combined system utilizing three-stage progressive filtration to remove solid contaminants, together with a vacuum separator attachment designed to extract free, suspended, and emulsified water from diesel fuel.
The filtration system is capable of cleaning fuel down to 5 microns, while the vacuum system removes water that cannot be separated through filtration or settling alone.

✔ Execution will be coordinated with site personnel to ensure safe and efficient inspection
Processing time is based on a system flowrate of approximately 100 liters per minute.
For a typical 14,000-liter diesel tank:
Including setup, monitoring, and system adjustments, the total service duration is typically:
👉 Approximately 1 working day per tank
Our pump inspection and evaluation services are performed in accordance with internationally recognized standards and proven industry practices to ensure accuracy, reliability, and safety.
We align our work with:

After the service, a Service Report covering the full scope of work performed will be provided. This serves as formal documentation of findings, assessment, and recommended actions.
The report includes:

Actual Fuel Polishing Result
From hazy, contaminated diesel to visibly clearer fuel after 4.5 hours of processing (2 filtration cycles)—demonstrating effective removal of particulate contaminants and improved fuel condition.
The execution of the service is subject to site accessibility, operational conditions, and required safety clearances. All equipment and work areas must be reasonably accessible to allow proper inspection, assessment, or execution of the agreed scope. Certain activities may require the equipment or system to be operational, while others may necessitate partial or full shutdown, depending on the nature of the work.
All necessary permits to work (PTW), safety clearances, and site approvals must be secured prior to execution to avoid delays. Coordination with site personnel is required to ensure safe and efficient completion of activities. The provision of site support such as access equipment, manpower assistance, utilities, and isolation (if required) shall be the responsibility of the client unless otherwise agreed.
Environmental and site conditions, including but not limited to weather, confined spaces, hazardous areas, and operational limitations, may affect the execution schedule and duration of the service.
The service is based on a non-intrusive approach and is limited to externally accessible components and observable conditions unless otherwise specified in writing. No dismantling, internal inspection, or major repair works are included under this scope unless explicitly stated.
All findings, assessments, and recommendations are based on the condition of the equipment or system at the time of service and on available operational data provided or observed. Recommendations are intended to support maintenance, operational, and engineering decisions but do not constitute a certification of equipment integrity, performance, or regulatory compliance.
Any additional works identified during the execution of the service that fall outside the agreed scope may be subject to separate evaluation, costing, and approval.